ブラスト装置一覧

ウェットブラスト

エアーブラスト ウェット

エアーブラスト

コンプレッサーエアーを使い、研磨材+水を混ぜたもの(スラリーという)を製品に吹き付ける加工法

  • 特徴
  • ・油分、水分の付着している製品への加工
  • ・薄い製品への加工
  • ・滑らかな光沢加工
  • ・研磨材の微細粒度に制限なく使用できる
  • ・製品、装置に帯電現象が生じないため
     爆発の恐れは皆無
  • ・水使用のため熱が発生しない
    (変質、変色が少ない)

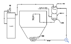
ドライブラスト

ドライブラスト 吸引式

エアーブラスト(吸引式)加工レベル中

コンプレッサーエアーを使い、
研磨材を製品に吸い上げて吹き付ける加工法

  • 特徴
  • ・連続使用が可能な為、大量加工向き
  • ・加工後の研磨材付着がエアブローで容易に除去できる
  • ・研削用途に威力がある
  • ・研磨材の濃度管理が容易である
  • ・防錆処置をせず加工できる
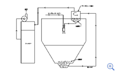
ドライブラスト 直圧式

エアーブラスト(直圧式)加工レベル中

研磨材をコンプレッサーエアーの力で押しだす加工法

  • 特徴
  • ・狭い部分の加工
  • ・投射速度が速い
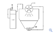
ショットブラスト

ショットブラスト 加工レベル強

インペラー(羽根車)で
直接研磨材を製品に投射する加工法

  • 特徴
  • ・大量の研磨材を広範囲に投射できるので処理時間が短縮
ブロアブラスト

ブロアブラスト 加工レベル低

扇風機のようなモーター(ブロアという)で気流を起こし、風の力で研磨材を押し吹く加工法

  • 特徴
  • ・エアーコンプレッサーを使用しない為、節電型
  • ・噴射圧が低圧な為、研磨材が長持ち

オーバーホール

老朽化などによるブラスト装置のリフォームをいたします

  • ・駆動箇所等の修理、改造を致します
  • ・キャビネット、タンク等の穴あき・水漏れを修理致します
  • ・水配管・空気配管等の修理交換を致します


日本全国どこへでもかけつけます!お気軽にお問合せください
このページのトップへ
Copyright(c) 2015 有限会社コーテック All Rights Reserved.